| 
 
 
 
	
			
	
	 64 квадратных миллиметров счастья 
        
        
            | Автор | Сообщение |  
			|  31 июл 2013, 12:31 | 
					
					       |  
			| 
				Зарегистрирован:
 24 июл 2007, 10:41
 Сообщения: 575
   | Цитата: Подписал все более менее важные чипы на отправленной материнке. Пару чипов опознать не удалось но не беда.В отношении CDROM и SPU наблюдается сильная чехарда. Sony то объединяет несколько чипов в один, то опять разъединяет на разных ревизиях матерей. Плюс на обратной стороне материнки должен располагаться SUB-CPU IC304, на базе M68HC05, который используют как SPU так и CDROM. Внутри этого чипа зашито 2 ROM (self-тестовый и программный). В целом механизм работы CD-привода и головы очень сложный и управляется сразу пачкой чипов.
 
 |  
		 
		|  |  
			|  01 авг 2013, 00:41 | 
					
					 |  
			| 
				
				   | HardWareMan писал(а): Сессьно, Ваша.
Нет, я уже не имею к ней никакого отношения. HardWareMan писал(а): Цель всегда должна быть недосягаема. Иначе рискуете потерять смысл жизни.Вы случайно не путаете цель и мечту? org писал(а): Цель - понять как работают изучаемые микросхемы и их эмуляция.Ничего не могу сказать насчет эмуляции, но вот понять как работает микросхема имея её электрическую схему на бумаге, задача вполне реальная, хоть и напоминает анекдот про комсомольца любившего трудности. В общем и целом удачи вам в вашем нелегом деле. Буду наблюдать за процессом с интересом.
 
 |  
		 
		|  |  
			|  02 авг 2013, 12:20 | 
					
					       |  
			| 
				Зарегистрирован:
 24 июл 2007, 10:41
 Сообщения: 575
   | Отправил следующие чипы на декап в Flylogic Engineering LLC. 
 
 |  
		 
		|  |  
			|  03 авг 2013, 10:14 | 
					
					       |  
			| 
				Зарегистрирован:
 24 июл 2007, 10:41
 Сообщения: 575
   | Зарядил на сайт вики http://wiki.psxdev.ru
 
 |  
		 
		|  |  
			|  04 авг 2013, 19:23 | 
					
					 |  
			| 
				
				   | Господа, так а как все-таки будет происходить процесс распознания блоков на схеме? Вы юзаете какое ПО или вручную, на глаз, определяете где какой логический блок находится? 
 
 |  
		 
		|  |  
			|  04 авг 2013, 21:30 | 
					
					   |  
			| 
				Зарегистрирован:
 04 янв 2011, 22:07
 Сообщения: 29
   | forum.emu-russia.net/viewtopic.php?f=13&t=3938вот в качестве примера что и как
 
 
 |  
		 
		|  |  
			|  31 авг 2013, 12:06 | 
					
					   |  
			| 
				Зарегистрирован:
 28 ноя 2012, 17:56
 Сообщения: 63
   | Мы получили правильно сдампленный ROM (точнее дамп всей памяти 6805). Предыдущий дамп был с ошибками на контакте D0. Отличная работа! Скачать: http://psxdev.ru/files/IC304/MC68HC05_ROM.rar SUB-CPU имеет на борту 2 ROM : первый так-называемый TEST ROM на самом деле является BOOT (загрузочным) и располагается по адресам 0xFE00-0xFFFF. Второй "рабочий" ROM располагается по адресам 0x1000 и выше (точный размер его пока неизвестен). Декапер который делал дамп утверждает, что маски ROM используют ионную имплантацию, поэтому разглядеть "биты" на картинке было бы нереально. В общем теперь у нас есть вся "вкуснятина", а Martin Korth (автор no$psx) уже приступил к дизассемблированию полученного материала :-) Ещё мы получили предварительные фотографии чипа IC304, но старой ревизии L16, а не той (G6), которую мы отправляли.  Наша Wiki обновлена информацией по подсистеме CD-ROM: http://psxwiki.psxdev.ru/index.php/CD-ROMorg
 
 |  
		 
		|  |  
			|  31 авг 2013, 13:55 | 
					
					 |  
			| 
				
				   | О, MC68HC05! Сколько лет, сколько зим... 
 
 |  
		 
		|  |  
			|  01 сен 2013, 20:08 | 
					
					       |  
			| 
				Зарегистрирован:
 24 июл 2007, 10:41
 Сообщения: 575
   | В вики добавлено описание работы SPU : http://wiki.psxdev.ru/index.php/SPU
 
 |  
		 
		|  |  
			|  02 сен 2013, 13:22 | 
					
					       |  
			| 
				Зарегистрирован:
 24 июл 2007, 10:41
 Сообщения: 575
   | 
 
 |  
		 
		|  |  
			|  04 сен 2013, 00:46 | 
					
					       |  
			| 
				Зарегистрирован:
 24 июл 2007, 10:41
 Сообщения: 575
   | 
 
 |  
		 
		|  |  
			|  04 сен 2013, 12:24 | 
					
					       |  
			| 
				Зарегистрирован:
 24 июл 2007, 10:41
 Сообщения: 575
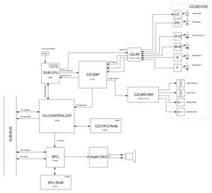
   | Более подробно на сайте   http://psxdev.ru
 
 Вложения: 
			 subsystem.JPG [ 121.45 КБ | Просмотров: 14109 ] |  
		 
		|  |  
			|  11 сен 2013, 10:02 | 
					
					       |  
			| 
				Зарегистрирован:
 24 июл 2007, 10:41
 Сообщения: 575
   | Мы получили от Михаила 2900 снимков PSX CPU со стравленным металлом. Разбираемся в стандартных ячейках   Стало понятно что они расположены "кучками", поэтому под металлом не было видно уникальных экземпляров. Расположенные рядом 2 ряда стандартных ячеек зеркально отражены (хотя это было видно ещё при изучении подводимого к ним питания). Соответственно и стандартные ячейки имеют 2 "изомера"   Слоев металла (по крайней мере в межсоединениях) - 2, взаимно перпендикулярных. В больших блоках по краям процессора вообще ни черта не понятно   -- 11 сен 2013, 11:39 --http://wiki.psxdev.ru/index.php/CPU_CELLS
 
 Вложения: 
			Комментарий к файлу: Блок по краям чипа (память)
		
			 TS_09_10_04_32_31.jpg [ 3.42 МБ | Просмотров: 14054 ] 
			Комментарий к файлу: Стандартные ячейки
		
			 TS_09_10_04_34_08.jpg [ 3.23 МБ | Просмотров: 14054 ] |  
		 
		|  |  
			|  11 сен 2013, 18:18 | 
					
					       |  
			| 
				Зарегистрирован:
 24 июл 2007, 10:41
 Сообщения: 575
   | Процесс совмещения верхнего и нижнего слоев. Понятно, что совместить полностью оба два слоя - это нереальная задача, банально не хватит памяти даже на один слой. Поэтому из набора фотографий нижнего слоя ищутся нужные участки и кусочками совмещаются с верхним, по рядам. На картинке также показана 1 стандартная ячейка, из набора, который удалось распознать    Хотя функции ячеек ещё не изучены.
 
 Вложения: 
			 layering.jpg [ 121.9 КБ | Просмотров: 13674 ] |  
		 
		|  |  
			|  12 сен 2013, 11:04 | 
					
					       |  
			| 
				Зарегистрирован:
 24 июл 2007, 10:41
 Сообщения: 575
   | Для группы стандартных ячеек я придумал новый термин - cell block. Типичный cell block (CB) :  - Полисиликоновые "ушки" используются для дополнительной разводки по М1, чтобы "перепрыгивать" общие линии питания/земли (которые тоже М1) - Внутри одной линейки блоки могут также соединяться через M1 с близлежащими блоками - Диффузия P-типа обычно толще (дырки неохотно "двигаются") и находится со стороны общего шланга питания - Диффузия N-типа обычно находится напротив диффузии P-типа, со стороны общего шланга земли В общем жопа, товарищи. М1 полностью растворился в кислоте, поэтому восстановить внутренние межсоединения между блоками нет возможности. Но зато мы можем предварительно восстановить библиотеку ячеек, по диффузии и поли и посчитать общее количество ячеек процесора. Будем работать в направлении "шлифовки" чипов, чтобы аккуратно сбрить М2 и получить М1.
 
 |  
		 
		|  |  
			|  13 сен 2013, 15:21 | 
					
					       |  
			| 
				Зарегистрирован:
 24 июл 2007, 10:41
 Сообщения: 575
   | Оценили количество рядов :  итого 310. А тем временем я, используя свой колхозный метод совмещения слоев, решил попробовать восстановить блоки своего куска 2-4. Совместить точно не получается (по виасам) из-за искажений сведения картинок и другого увеличения (фотки металла делались на 20x, диффузия на 40x), но это вообще не представляет никаких проблем. Даже кучи грязи вообще не проблема. Блоки, почти по уши находящиеся в дерьме всё равно легко распознаются. Прилагаю 2 картинки, на одной я подготовил ряды (первые 7 рядов части 02), на следующей я методом copy-paste расклонировал одну из ячеек, которая как мы предполагаем является Full adder-ом.
 
 Вложения: 
			 part2_rows0-6_more.jpg [ 2.6 МБ | Просмотров: 14084 ] 
			 part2_rows0-6.jpg [ 2.59 МБ | Просмотров: 14084 ] |  
		 
		|  |  
			|  16 сен 2013, 12:19 | 
					
					       |  
			| 
				Зарегистрирован:
 24 июл 2007, 10:41
 Сообщения: 575
   | В попытках достичь нирваны я решил сделать огромный кусок из куска 02 (см. аттач). Такое расположение было выбрано потому что разбор нужно вести целыми линиями, а так как четкой границы указать трудно, я решил отмахнуть сразу большой кусок. Фотошоп вроде пока справляется.. Задача ставится : - Трассировать М2 - Расставить на картинку из активного слоя все стандартные ячейки - Трассировать М1, где его видно, а также перенести видные части М1 на стандартные ячейки - Распознать все типы ячеек, методом, который описан тут http://wiki.psxdev.ru/index.php/CPU_CELLS  (часть уже распознали) - Попытаться угадать соединения между ячейками в блоках. Точно совместить ячейки и М2 не получится, это тоже необходимо учитывать. Нас спасает то, что цифровая логика по свой природе не может быть "нелогичной". Поэтому если что-то идёт не так - это сразу становится видно.
 
 Вложения: 
			 11111.jpg [ 148.98 КБ | Просмотров: 14030 ] |  
		 
		|  |  
			|  16 сен 2013, 15:50 | 
					
					 |  
			| 
				
				   | "Херь с ушками" это пять! Чисто русский охрененно научный подход. 
 
 |  
		 
		|  |  
			|  16 сен 2013, 16:40 | 
					
					     |  
			| 
				Зарегистрирован:
 28 дек 2012, 05:58
 Сообщения: 19
 Откуда: Курган
   | org писал(а): EVEN (чет). Функция определяет: является ли входное число abc - четным. (не уверен в схеме)Очень подозрительная схема, т.к. в чёт/нечёт по числу нужен только последний бит числа. А с двух левых верхних транзисторов (N-канальные) получается нет выхода вообще.
 
 |  
		 
		|  |  
			|  16 сен 2013, 16:57 | 
					
					       |  
			| 
				Зарегистрирован:
 24 июл 2007, 10:41
 Сообщения: 575
   | Все схемы подозрительные, кроме инвертора ) Но я придумал другой подход, более надежный, подробнее тут : http://psxdev.ru
 
 |  
		 
		|  |  
		|  |  
 
	
		| Кто сейчас на конференции |  
		| Сейчас этот форум просматривают: нет зарегистрированных пользователей и гости: 3 |  
 
	|  | Вы не можете начинать темы Вы не можете отвечать на сообщения
 Вы не можете редактировать свои сообщения
 Вы не можете удалять свои сообщения
 Вы не можете добавлять вложения
 
 |  
 |